

●フープ筋やスターラップ筋のピッチ間にも取付け可能で、取付け取外しが自由にでき、盛り換えが容易。
●先端に皿バネ付き。鉄筋に対して安定した締付け固定ができ安心。
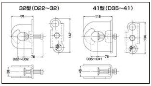
●サヤ管タイプに比べて軽量。(32型で0.63kg)
●柱・梁筋から親綱ロープを取る為の墜落防止用金物






〔用途例〕
①壁配筋作業に。(柱主筋に本体取付け、親綱ロープを取って利用)
②梁配筋作業に。(柱主筋に本体取付け、親綱ロープを取って利用)
③柱筋フープ巻作業に。(柱主筋に本体取付け、墜落制止用器具のランヤードフックを直接引掛けて使用)
④躯体端面や開口部の墜落防止養生用として。(柱主筋に本体取付け、親綱ロープを設置。標識などを取りつける)
・柱筋(主筋)や梁筋に金物を取付ける時、フープやスターラップがまだ取付けて無い場合は、親綱設備を使用されてもあまり効果がありません。
・ボルトはトルク35N・m~45N・mで締付けてください。
・その他、金物を取付ける相手に強度が期待できない場合も十分な効果がありませんので使用しないでください。
・用途例の①~④以外の使用は避けてください。
Copyright © 南都産業株式会社
