
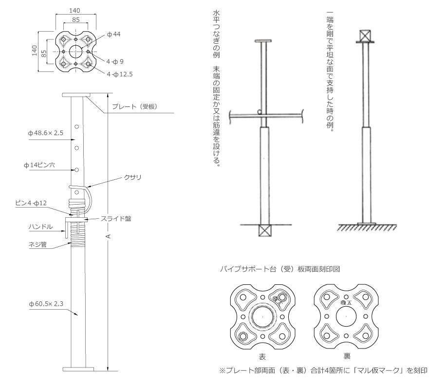
パイプサポート
取扱製品
仮囲い・ゲート製品
ネット・親綱・支柱他
鉄骨仮設製品
- ワイヤロックS(ワイヤロープ緊張器)
- 風防ユニット
- テッスル(鉄骨階段用仮設手摺)
- ラージテッスル(開口部・外周部用仮設手摺)
- アルミ梯子
- イージークライマー
- トビック
- コラムステージ SSタイプ
- コラムステージロータリータイプ
- コラムタラップ(アルミ合金製)
- 鉄骨タラップ/ライズタラップ
- コラムステージ 施工例
- ハイステージ(パイハンガー)
- ATOMU-701・ATOMU-802
- 建方エース
- 捻込シャックル/歪直しワイヤー
- キトークリップ
- レバーブロック
- レンフロークランプ
- チェーンエコライザー
- コラムロック
- チェーンブロック
- シャコ万力、ブルマン・ロックマン・アイアンマン
- イーグルクランプ
- 3t用吊構台
- 折板屋根用親綱支柱
- BBバランサー
- ボックスパレット 吊り上げ対応品、木パレ吊り枠
外部足場・シート製品
内部足場製品
その他製品
サイト内検索






